Central locking caster installation
Central locking caster have 3 steps locking,Release,Direction Lock and Total Lock.
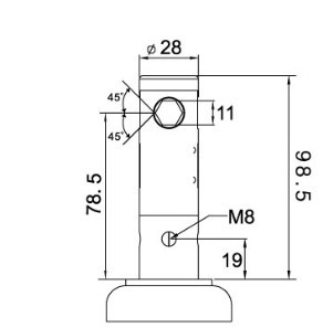
For now we have two kind of standard mounting size. Ø32 x 50mm,Ø28 x 98.5mm,brake angle 45 degree.

We choose ABS wheel frame,PA Core and PU or TPR tread. Beside this we use total 6 sets of precision bearings to make sure the caster work more stable.

Wheel diameter option : 5 inch ---Loading 110kg ,6inch---Loading 150kg, After connection by link rod all centralized locking caster wheels can be synchronous operation.Because of above features,Our centralized lock caster Mainly used as medical equipment caster,such as operation bed caster,bariatric bed caster,and other precision device mute caster.

English
Spanish
German
Russian
Arabic
Portuguese
Italian
French
Hebrew
Turkish